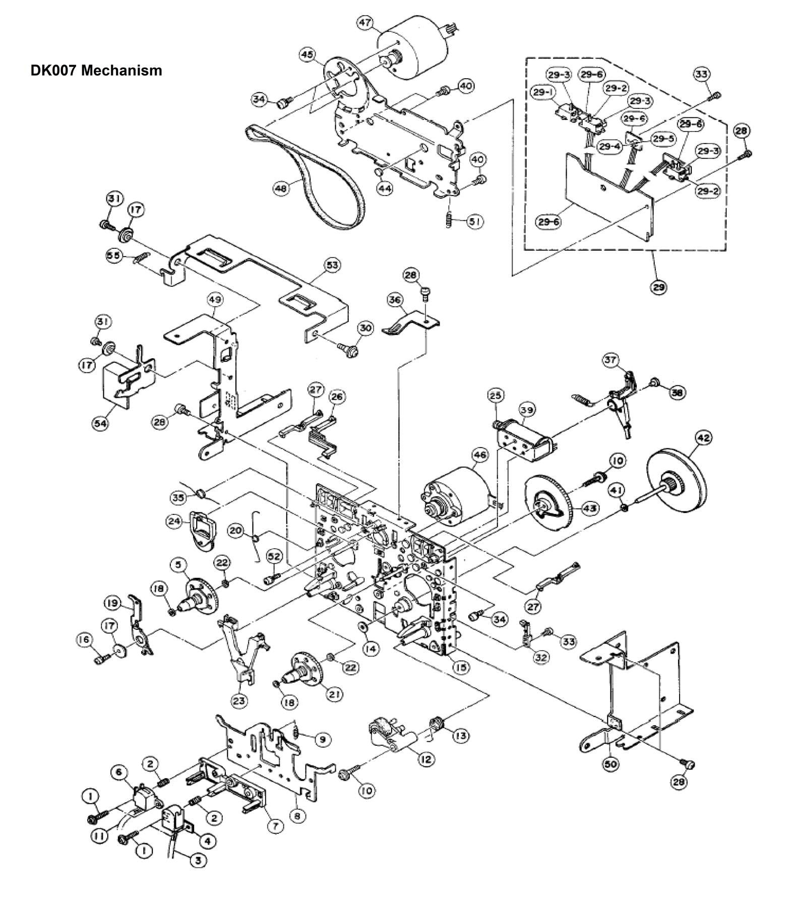
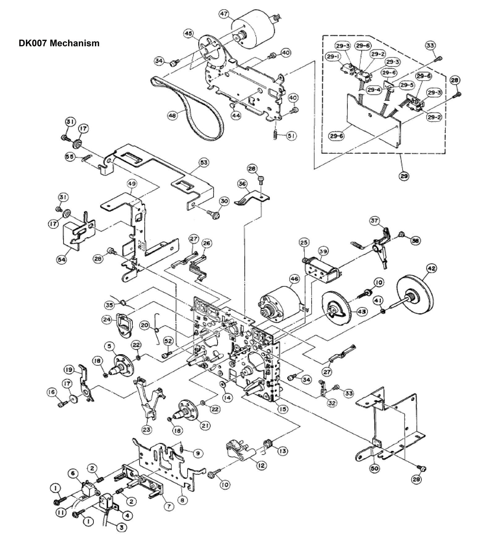
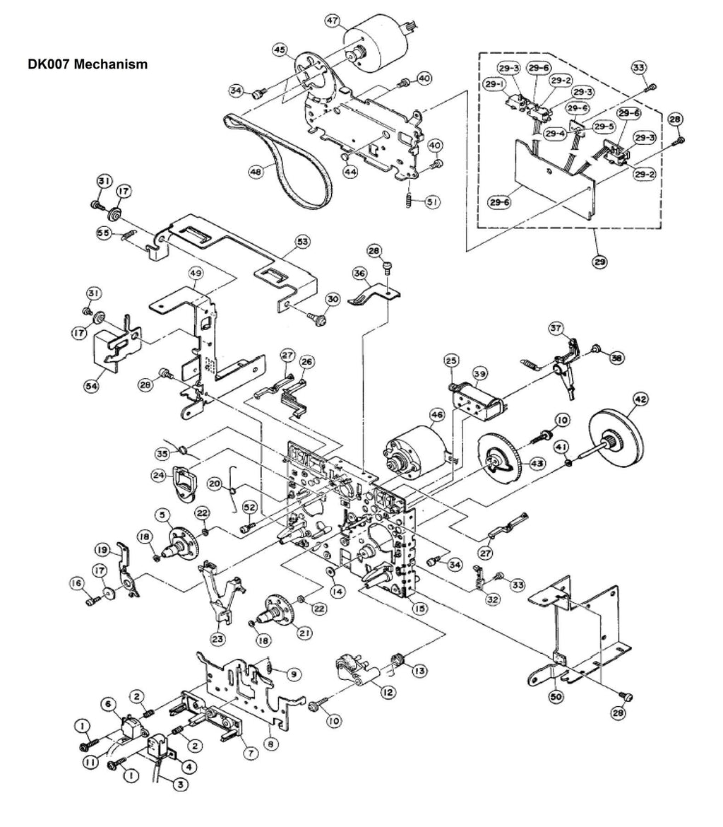
Description
Reconditioned component. Includes OEM equivalents, replicas and refurbished originals. Please confirm your part matches the photo. Your mechanism may have been modified by the manufacturer.
Payment & Security
Your payment information is processed securely. We do not store credit card details nor have access to your credit card information.

Trusted by Thousands of Audio Enthusiasts
With over 40 years in the vintage audio world, we’ve built more than just a store, we’ve built trust. Our customers know they can count on us for quality parts, fast delivery, and real support when they need it.
From audio belts to rare spares, every order is handled with care. But don’t just take our word for it, see what over a thousand customers have to say.
Read Our Reviews
Can't find what you're looking for?
We specialize in manufacturing custom gears and idler tires based on size and specifications.
Looking for a specific part?
Contact us using the form below - we’ll be happy to help!



